Abbildung ähnlich
HOMA

Homa Tandem-Doppelhebeanlage Sanistar PLUS 630 D, 400 V, überflutbar, 2 Behälter, 2 Pumpen

HOM980551402 4014680046384 9805514.02
auf Anfrage
je 1 Stk
keine Verfügbarkeitsinformationen

Folgeartikel

Dieser wird automatisch Ihrem Warenkorb hinzugefügt.

Verkaufsdaten

Mindestbestellmenge 1 Stk
Bestellschritt 1 Stk

Beschreibung

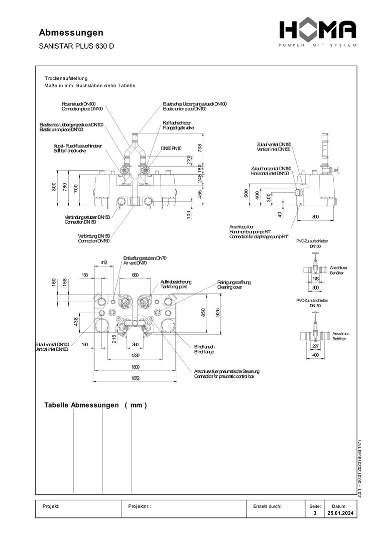
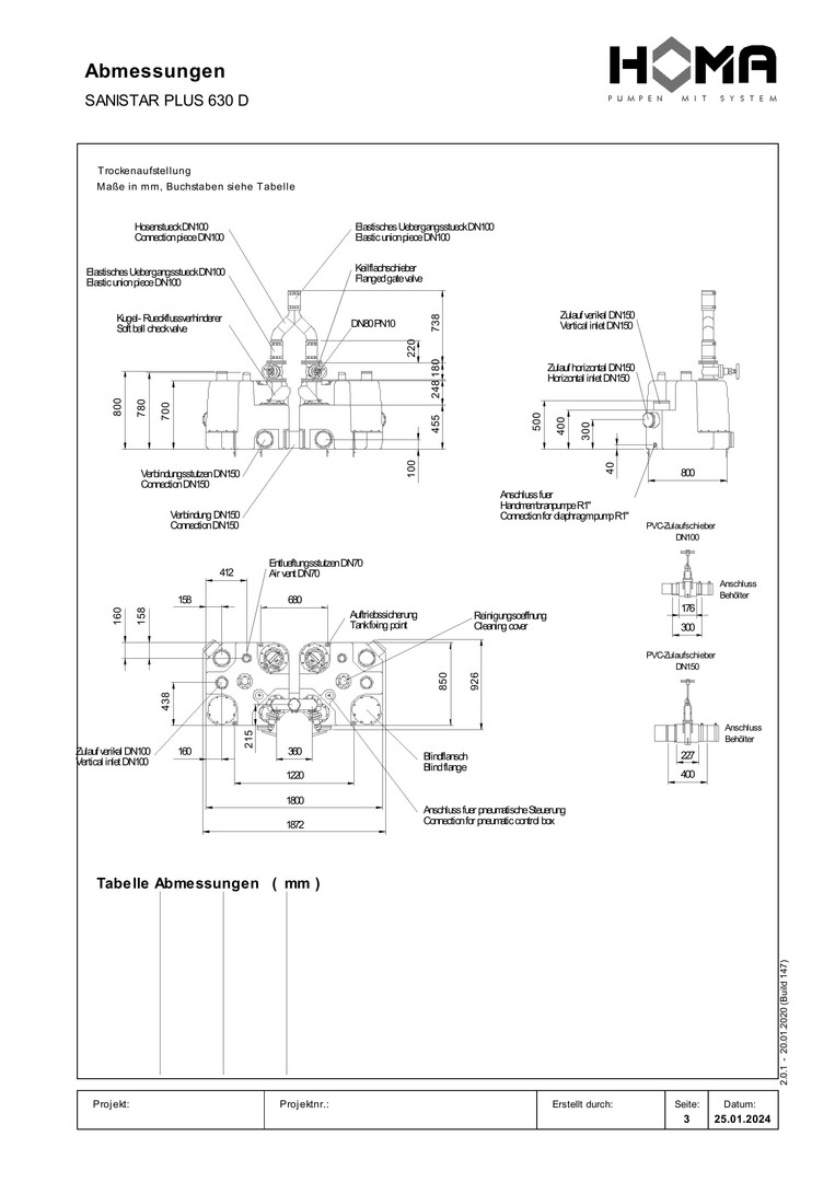
DN 80/DN 100, Zuläufe DN 40/DN 100/DN 150, Freistromrad, freier Durchgang 45 mm Ø , 1450-2900 U/min, Laufrad aus Stahlguss, Laufrad aus Grauguss, Pumpengehäuse und Sammelbehälter aus Kunststoff, Behälter mit 2 Pumpen, Kugel-Rückflussverhinderer, elestisches Übergangsstück, Druckleitung mit Schlauchschellen, pneumatische Niveauschaltung, Standard-Steuergerät, Kabel-Pumpe 4 m, Steuergerät 0,8 m

Merkmale

Produktklasse Abwasserhebeanlage
Breite 850 mm
Höhe 800 mm
Tiefe 1800 mm
Internet Link https://www.homa-pumpen.de/gebaeudetechnik/produkt/abwasser-hebeanlagen-sanistar-plus-50-hz
Geeignet für Außeneinsatz ja
Werkstoff des Behälters Polyethylen (PE)
Schutzart (IP) IP68
Nennstrom 5,1 A
Frequenz 50 Hz
Kabellänge 4 m
Max. Partikelgröße 45 mm
Motorausgangsleistung (P2) 2,1 kW
Aufgenommene Motorleistung (P1) pro Motor 3 kW
Max. Arbeitsdruck 1,52 bar
Max. Förderhöhe 15,5 m
Drehzahl 2900 1/min
Elektrischer Anschluss Anschlusskabel mit Stecker
Werkstoff des Gebläserads/Laufrads Gusseisen
Mit Rückschlagklappe ja
Mit Schneidwerk nein
Anzahl der Pumpen 2
Behältervolumen 600 l
Geeignet für Fäkalien ja
Aufstellung hinter dem WC nein
Nenndurchmesser Anschluss Einlassseite DN 150
Nenndurchmesser Anschluss Auslassseite DN 80
Max. Volumenstrom 36 m³/h
Isolationsklasse nach IEC H
Mit Entlüftung ja
Mit Alarmfunktion ja
Alarmausgang ja
Umgebungstemperatur 40 °C
Anzahl der Phasen 3
Bemessungsspannung 400 V
Werkstoffgüte Gebläserad/Laufrad Gusseisen EN-GJL-250 (GG 25)
Rohraußendurchmesser Anschluss Einlassseite 160 mm
Rohraußendurchmesser Anschluss Auslassseite 110 mm
Anschluss Auslassseite Flansch
Förderhöhe bei Volumenstrom (BEP) 91,2 kPa
Volumenstrom (BEP) 25,2 m³/h
Mediumtemperatur (Dauerbetrieb) 40 °C
Druckstufe Flanschanschluss Auslassseite PN 10
Kommunikation ohne
Potentialfreier Schaltkontakt ja

Varianten

HOMA

Homa Tandem-Doppelhebeanlage Sanistar PLUS 620 D, 400 V, überflutbar, 2 Behälter, 2 Pumpen HOM980551201

keine Verfügbarkeitsinformationen
auf Anfrage
je 1 Stk
Dimension
620 D
HOMA

Homa Tandem-Doppelhebeanlage Sanistar PLUS 625 D, 400 V, überflutbar, 2 Behälter, 2 Pumpen HOM980551301

keine Verfügbarkeitsinformationen
auf Anfrage
je 1 Stk
Dimension
625 D
HOMA

Homa Tandem-Doppelhebeanlage Sanistar PLUS 630 D, 400 V, überflutbar, 2 Behälter, 2 Pumpen HOM980551402

keine Verfügbarkeitsinformationen
auf Anfrage
je 1 Stk
Dimension
630 D
HOMA

Homa Tandem-Doppelhebeanlage Sanistar PLUS 635 D, 400 V, überflutbar, 2 Behälter, 2 Pumpen HOM980551501

keine Verfügbarkeitsinformationen
auf Anfrage
je 1 Stk
Dimension
635 D

Zubehörempfehlung für Sie:

HOMA

Homa Zulaufschieber DN 100, PVC HOM2214110

HOMA

Homa Zulaufschieber DN 150, PVC HOM2214160