Homa Schmutzwasser-Einzelhebeanlage Sanistar 130 D, 400 V, überflutbar, mit Rückschlagklappe
HOM980541402
4014680046223
9805414.02
auf Anfrage
je 1 Stk
keine Verfügbarkeitsinformationen
Funktionen
Verkaufsdaten
| Mindestbestellmenge | 1 Stk |
| Bestellschritt | 1 Stk |
Beschreibung
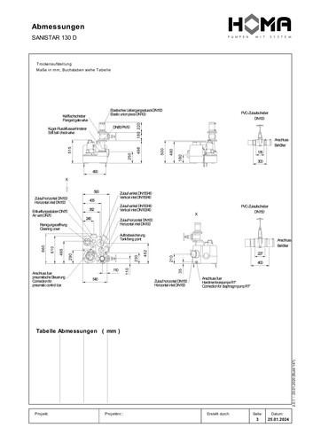
DN 80/DN 100, Zuläufe DN 40/DN 100/DN 150, Freistromrad, freier Durchgang 45 mm Ø , 1450-2900 U/min, Laufrad aus Stahlguss, Laufrad aus Grauguss, Pumpengehäuse und Sammelbehälter aus Kunststoff, Behälter mit 1 Pumpe, Kugel-Rückflussverhinderer, elestisches Übergangsstück, Anschluss-Kit Druckleitung, pneumatische Niveauschaltung, Standard-Steuergerät, Kabel-Pumpe 4 m, Steuergerät 0,8 m
Merkmale
| Produktklasse | Abwasserhebeanlage |
| Breite | 660 mm |
| Höhe | 515 mm |
| Tiefe | 590 mm |
| Internet Link | https://www.homa-pumpen.de/gebaeudetechnik/produkt/abwasser-hebeanlagen-sanistar-50-hz |
| Geeignet für Außeneinsatz | ja |
| Werkstoff des Behälters | Polyethylen (PE) |
| Schutzart (IP) | IP68 |
| Nennstrom | 5,1 A |
| Frequenz | 50 Hz |
| Kabellänge | 4 m |
| Max. Partikelgröße | 45 mm |
| Motorausgangsleistung (P2) | 2,1 kW |
| Aufgenommene Motorleistung (P1) pro Motor | 3 kW |
| Max. Arbeitsdruck | 1,52 bar |
| Max. Förderhöhe | 15,5 m |
| Drehzahl | 2900 1/min |
| Elektrischer Anschluss | Anschlusskabel mit Stecker |
| Werkstoff des Gebläserads/Laufrads | Gusseisen |
| Mit Rückschlagklappe | ja |
| Mit Schneidwerk | nein |
| Anzahl der Pumpen | 1 |
| Behältervolumen | 70 l |
| Geeignet für Fäkalien | ja |
| Aufstellung hinter dem WC | nein |
| Nenndurchmesser Anschluss Einlassseite | DN 150 |
| Nenndurchmesser Anschluss Auslassseite | DN 80 |
| Max. Volumenstrom | 36 m³/h |
| Isolationsklasse nach IEC | H |
| Mit Entlüftung | ja |
| Mit Alarmfunktion | ja |
| Alarmausgang | ja |
| Umgebungstemperatur | 40 °C |
| Anzahl der Phasen | 3 |
| Bemessungsspannung | 400 V |
| Werkstoffgüte Gebläserad/Laufrad | Gusseisen EN-GJL-250 (GG 25) |
| Rohraußendurchmesser Anschluss Einlassseite | 160 mm |
| Rohraußendurchmesser Anschluss Auslassseite | 110 mm |
| Anschluss Auslassseite | Flansch |
| Förderhöhe bei Volumenstrom (BEP) | 96,1 kPa |
| Volumenstrom (BEP) | 23,6 m³/h |
| Mediumtemperatur (Dauerbetrieb) | 40 °C |
| Druckstufe Flanschanschluss Auslassseite | PN 10 |
| Kommunikation | ohne |
| Potentialfreier Schaltkontakt | ja |
Anhänge
Varianten
Homa Schmutzwasser-Einzelhebeanlage Sanistar 105 D, 400 V, überflutbar, mit Rückschlagklappe HOM980540302
keine Verfügbarkeitsinformationen
auf Anfrage
je 1 Stk
|
||
Homa Schmutzwasser-Einzelhebeanlage Sanistar 110 D, 400 V, überflutbar, mit Rückschlagklappe HOM980540201
keine Verfügbarkeitsinformationen
auf Anfrage
je 1 Stk
|
||
Homa Schmutzwasser-Einzelhebeanlage Sanistar 120 D, 400 V, überflutbar, mit Rückschlagklappe HOM980541201
keine Verfügbarkeitsinformationen
auf Anfrage
je 1 Stk
|
||
Homa Schmutzwasser-Einzelhebeanlage Sanistar 130 D, 400 V, überflutbar, mit Rückschlagklappe HOM980541402
keine Verfügbarkeitsinformationen
auf Anfrage
je 1 Stk
|