Homa Tandem-Doppelhebeanlage Sanistar PLUS 620 W, 230 V, überflutbar, 2 Behälter, 2 Pumpen
HOM980551101
4014680046353
9805511.01
auf Anfrage
je 1 Stk
keine Verfügbarkeitsinformationen
Funktionen
Verkaufsdaten
| Mindestbestellmenge | 1 Stk |
| Bestellschritt | 1 Stk |
Beschreibung
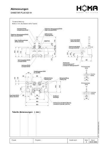
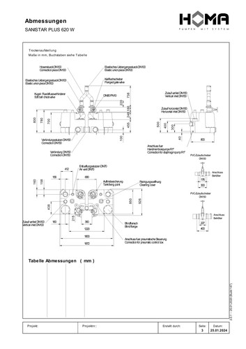
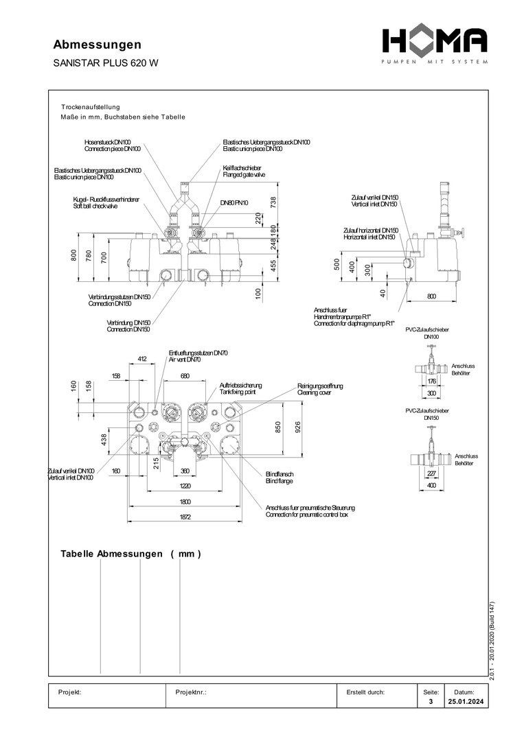
DN 80/DN 100, Zuläufe DN 40/DN 100/DN 150, Freistromrad, freier Durchgang 45 mm Ø , 1450-2900 U/min, Laufrad aus Stahlguss, Laufrad aus Grauguss, Pumpengehäuse und Sammelbehälter aus Kunststoff, Behälter mit 2 Pumpen, Kugel-Rückflussverhinderer, elestisches Übergangsstück, Druckleitung mit Schlauchschellen, pneumatische Niveauschaltung, Standard-Steuergerät, Kabel-Pumpe 4 m, Steuergerät 0,8 m
Merkmale
| Produktklasse | Abwasserhebeanlage |
| Breite | 850 mm |
| Höhe | 800 mm |
| Tiefe | 1800 mm |
| Internet Link | https://www.homa-pumpen.de/gebaeudetechnik/produkt/abwasser-hebeanlagen-sanistar-plus-50-hz |
| Geeignet für Außeneinsatz | ja |
| Werkstoff des Behälters | Polyethylen (PE) |
| Schutzart (IP) | IP68 |
| Nennstrom | 10,7 A |
| Frequenz | 50 Hz |
| Kabellänge | 4 m |
| Max. Partikelgröße | 45 mm |
| Motorausgangsleistung (P2) | 1,7 kW |
| Aufgenommene Motorleistung (P1) pro Motor | 2,3 kW |
| Max. Arbeitsdruck | 0,96 bar |
| Max. Förderhöhe | 9,8 m |
| Drehzahl | 1450 1/min |
| Elektrischer Anschluss | Anschlusskabel mit Stecker |
| Werkstoff des Gebläserads/Laufrads | Gusseisen |
| Mit Rückschlagklappe | ja |
| Mit Schneidwerk | nein |
| Anzahl der Pumpen | 2 |
| Behältervolumen | 600 l |
| Geeignet für Fäkalien | ja |
| Aufstellung hinter dem WC | nein |
| Nenndurchmesser Anschluss Einlassseite | DN 150 |
| Nenndurchmesser Anschluss Auslassseite | DN 80 |
| Max. Volumenstrom | 47,9 m³/h |
| Isolationsklasse nach IEC | H |
| Mit Entlüftung | ja |
| Mit Alarmfunktion | ja |
| Alarmausgang | ja |
| Umgebungstemperatur | 40 °C |
| Anzahl der Phasen | 1 |
| Bemessungsspannung | 230 V |
| Werkstoffgüte Gebläserad/Laufrad | Gusseisen EN-GJL-250 (GG 25) |
| Rohraußendurchmesser Anschluss Einlassseite | 160 mm |
| Rohraußendurchmesser Anschluss Auslassseite | 110 mm |
| Anschluss Auslassseite | Flansch |
| Förderhöhe bei Volumenstrom (BEP) | 62,8 kPa |
| Volumenstrom (BEP) | 23,9 m³/h |
| Mediumtemperatur (Dauerbetrieb) | 40 °C |
| Druckstufe Flanschanschluss Auslassseite | PN 10 |
| Kommunikation | ohne |
| Potentialfreier Schaltkontakt | ja |